


1) 眾所周知,當輸出端超越額定負載或短路時,會對開關電源形成損壞,以致電力系統無法正常工作。針關于此我們在設計開關電源時要對產品停止限流維護設計。那么辦法很多,我們能夠將他設計到開關電源的輸入端或者設計到開關電源的輸出端。要到達最佳的設計辦法就要以實踐的狀況而定,以下幾種辦法都是開關電源常用的控制辦法:
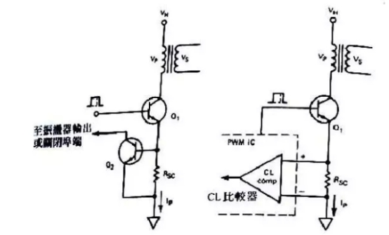
2) 初期參考直接驅動方式的開關電源可設計到輸入端,如下圖所示
圖一
圖中兩種電路的工作原理是:
(a)圖:在輸出端有過載或短路狀況發作時,此時初級電流會很快的增加,Rsc上的就會產生電壓,此電壓超越B-E的導通電壓,那么Q2就會導通,就會把Q2集電極電位拉到地,假如接的是震蕩電路此時就會導至震蕩電路中止工作,從而到達維護的目的。
Rsc的取值是:Rsc=Vbe/Ip
3) (b)圖中的電路是一種常用的限流維護電路,在還擊或者正激電路中遭到設計者的歡送。他的工作過程和(a)圖的工作過程有些相似,但是他有些很好的優點,首先,比擬器的電流限制激起臨限電壓可預制到一個準確的且可預制的準位上,這就相當于雙極性三極管有較大Vbe電壓范圍的臨限電壓值,其次是此臨限電壓足夠的小,根本上是100MV和200MV,因而電流限制電組就可較小,這樣就能夠進步效率。
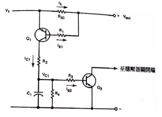
4) 應用在基極驅動器的電流限制電路
上圖所畫的電流限制電路圖合適于各種電路的開關電源供給器。此種電路的輸出局部是與控制電路共地的。
工作原理是:在正常的工作狀況下,流入到Rsc上的Il不會產生很大的壓降,那么就不會使Q1導通,若負載電流足夠大就會在Rsc上產生電壓,使Q1導通。若Q1在OFF裝態時,而且Ic1=0時C1會全部放電掉,因而Q2也會處于OFF狀態,假如Il電流逐步增加時,則Il*Rsc=VbeQ1+Ib1R1,此時會集電極會有電流Ic1流過,并有下面的時間常數將C1充電T=R2*C1,那么C1上的電壓是:Vc1=Ib2R3+VbeQ2,為了使為了使電容器電壓的負載效應減到最低值,我們可選用具有較高的HFE的達林凳管子來替代Q2,這樣能夠把基極電流限制在微安培,我門在選擇電阻R4時要遠遠大于R3。這樣當電流過載時,C1電容會快速放電。
R2的取值如下:
IBL=(V1-VBEQ1)/R1
而且Ic1=HfeQ1IBLMAX
所以,R2>=(V1-VCEMAX)R1/(V1-VBEQ1)
在恰當的電路設計上,VCE可以快速的抵達其電壓值,并將Q2三極管偏壓到導通狀態,這樣一來就能夠關閉穩壓器的驅動信號。當過載除去后,電路會自動恢復到工作狀態。假如運用具有固定電流限制比擬器的ICPWM控制電路,則圖一B的電路,我們將電流限制電阻器RSC放到輸出的正端上,就能獲的良好的電流限制效果。
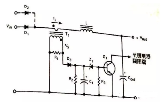
以上這兩種辦法在檢測電流狀況都工作良好。但是功率電阻器RSC的存在可能會變成不受歡送的,特別是在高電流輸出下會形成功率的耗費,影響到整機的效率。真關于次會有另一種辦法來克制這種問題。那就是用變壓器來檢測過電流。并且電路中無耗費功率的元器件,如圖所示
工作原理是:T1用來檢測負載電流IL,因而電阻R1會有成比例的電壓產生。D3為整流二極管,R3C1整流后的濾波電路,若電流過載發作時,電容器C1上的電壓會增加到穩壓二極管Z1的導通電壓,此時三極管Q1會導通,因而Q1集電極上的信號能夠關閉穩壓器的驅動信號。
要留意的是:T1的設計,資料的選擇要用陶鐵磁和MPP的環形鐵芯,但是鐵芯不能工作在飽和狀態,圈數的設計:初級圈數普通選一圈,次級圈數的選擇右次級的電壓所決議,NP/NS=IS/IP由于IR=VS/R1。
因而在最大指定負載電流IC狀況下,次級圈數必需能在電容器C1上產生所希冀的電壓值,所以NS=NP*IRR1/(Vs+Vd3)。
至此我門就能夠繞制一個準確的變壓器,而在實踐的電路測試上必需在圈數上稍做調整,以便能做到最佳的性能。
還有一種電流限制電路:如圖所示
不論是放在電源的輸入端或是輸出端局部都能做到叫好的效果,同樣的此電路也能合適于多路輸出的電源供給器,但是有一點,關于多組輸出要使的各個電流限制能到達其作用,要用一番功夫。
上圖的工作原理是:
T1用來檢測T2的初級電流,T1后經二極管整流后電容濾波,可變電阻R1用來設定比擬器輸入端的臨限電壓,在正長工作狀況下,比擬器的Vref參考輸入端電壓會高于電衛器R1上的電壓,此時比擬器的輸出會在高電平,此時的555IC(單激多諧振蕩器)會有低電平的輸出,使Q1堅持在關閉狀態。
假如過載發作時,電壓V1會高于VREF,使的比擬器在底電位,IC555輸入端由高電位至底電位的轉換過程,會在IC555輸出端產生單激輸出,而將Q1ON,C極連到關閉的輸入端或是PWM電路的溫和啟動電容器上,所以會牽引到地電平。而終止了輸出轉換脈波,并將穩壓器關閉,假如過栽狀況持續著,電源會處于打嗝狀態中,就是它會以IC555單激RC時間常數的周期在ON與OFF狀態之間,不停的轉換,直到過載去除后,電路才會恢復恢復到正常狀態中,變壓器設計同上一節。
上一篇:開關電源的元件作用及設備名詞解析
下一篇:低壓高效的開關電源設計


